BD型杆密封

一、性能与用途
BD型活塞杆密封是唇形密封进一步发展的成果,它具有两道密封唇,并有一个抗挤压的挡圈。由于两道密封唇的作用,在密封间隙中便保持着额外的润滑。(这就大大地防止了干摩擦和磨损,从而延长了密封件的使用寿命)。
在某些条件下,只能通过一前一后两个安装在各自沟槽中的密封件才可达到满意的密封性能。而这种两道唇口的密封件却可以代替价钱昂贵的串联装置。这类密封可用于普通橡胶或织物补强橡胶物理性能达不到要求的各种场合。
主要用于重载行走机械和静压中的活塞杆和柱塞的密封。
二、材质
进口聚氨酯PU、丁腈胶NBR、尼龙挡圈PA或四氟乙烯PTFE。
三、工况条件
工作压力:≤50Mpa;
工作温度:-35~+100℃;
往复速度:≤0.5m/s;
工作介质:液压油(矿物油基)。
四、安装
这类密封件有一个轴向间隙。为了避免密封唇口的损坏,安装时不要将密封件在锐边上拉动。
这些密封件通常装入闭式沟槽中。在入口处受限制时,需要予其加温软化或用特殊的安装工具。
五、主要优点
耐磨性极好;耐冲击;抗挤出;压缩变形小;适用于最苛刻的工作条件;由于密封唇口之间的压力介质而具有充分的润滑;提高了零压力下的密封性能;极好地防止了外部空气的进入;
六、设计标准
本系列符合Parker公司BD系列。
七、标注及订货方法
BD活塞杆密封用订货号来标注,示例:BD-7085
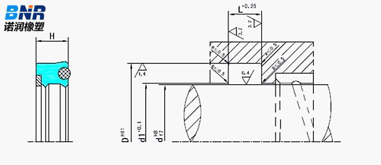
八、结构装置

|
d |
D |
H |
L |
d1 |
订货号 |
|
40 |
55 |
11.4 |
12.5 |
40.5 |
BD4055 |
|
50 |
65 |
11.4 |
12.5 |
50.5 |
BD5065 |
|
56 |
71 |
11.4 |
12.5 |
56.5 |
BD5671 |
|
60 |
75 |
11.4 |
12.5 |
60.5 |
BD6075 |
|
63 |
78 |
11.4 |
12.5 |
63.5 |
BD6378 |
|
65 |
80 |
11.4 |
12.5 |
65.5 |
BD6580 |
|
70 |
85 |
11.4 |
12.5 |
70.5 |
BD7085 |
|
75 |
90 |
11.4 |
12.5 |
75.5 |
BD7590 |
|
80 |
95 |
11.4 |
12.5 |
80.5 |
BD8095 |
|
85 |
100 |
11.4 |
12.5 |
85.5 |
BD85100/11.4 |
|
85 |
100 |
12 |
13 |
85.5 |
BD85100/12 |
|
90 |
105 |
11.4 |
12.5 |
90.5 |
BD90105 |
|
95 |
110 |
12 |
13 |
95.5 |
BD95110 |
|
100 |
115 |
12 |
13 |
100.5 |
BD100115 |
|
100 |
120 |
13.5 |
15 |
100.6 |
BD100120/13.5 |
|
100 |
120 |
14.5 |
16 |
100.6 |
BD100120/14.5 |
|
110 |
130 |
14.5 |
16 |
110.6 |
BD110130 |
|
120 |
140 |
14.5 |
16 |
120.6 |
BD120140 |
|
125 |
145 |
14.5 |
16 |
125.6 |
BD125145 |
|
130 |
150 |
14.5 |
16 |
130.6 |
BD130150 |
|
140 |
160 |
14.5 |
16 |
140.6 |
BD140160 |
|
150 |
170 |
14.5 |
16 |
150.6 |
BD150170 |
|
160 |
180 |
14.5 |
16 |
160.6 |
BD160180 |
|
170 |
190 |
14.5 |
16 |
170.6 |
BD170190 |
|
180 |
205 |
18.2 |
20 |
180.8 |
BD180205 |
|
190 |
215 |
18.2 |
20 |
190.8 |
BD190215 |
|
200 |
230 |
22.7 |
25 |
200.8 |
BD200230 |
|
220 |
250 |
22.7 |
25 |
220.8 |
BD220250 |
|
230 |
260 |
22.7 |
25 |
230.8 |
BD230260 |
|
240 |
270 |
22.7 |
25 |
240.8 |
BD240270 |