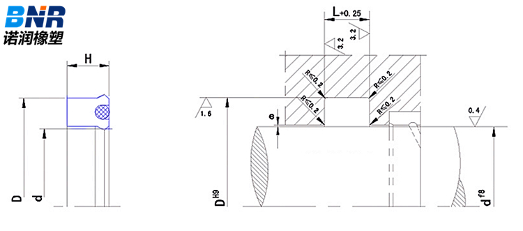
|
d |
D |
H |
L |
订货号 |
|
3 |
8.5 |
4 |
4.4 |
BA038.5 |
|
4.7 |
11 |
5 |
5.5 |
BA04.711 |
|
4.8 |
11.1 |
6.4 |
7 |
BA04.811.1 |
|
6 |
14 |
5.7 |
6.3 |
BA0614 |
|
6.4 |
12.7 |
6.4 |
7 |
BA06.412.7 |
|
7.9 |
14.3 |
6.4 |
7 |
BA07.914.3 |
|
8 |
16 |
5.7 |
6.3 |
BA00816 |
|
10 |
18 |
5.7 |
6.3 |
BA1018 |
|
10 |
20 |
7.3 |
8 |
BA1020 |
|
11.1 |
17.5 |
6.4 |
7 |
BA11.117.5 |
|
12 |
20 |
5.7 |
6.3 |
BA1220 |
|
12 |
22 |
7.3 |
8 |
BA1222 |
|
12.7 |
19.05 |
4.5 |
5 |
BA12.719.05 |
|
12.7 |
19.1 |
6.4 |
7 |
BA12.719.1 |
|
12.7 |
25.4 |
9.5 |
10.5 |
BA12.725.4 |
|
13 |
20 |
5 |
5.5 |
BA1320 |
|
13 |
23 |
7.3 |
8 |
BA1323 |
|
14 |
22 |
5.7 |
6.3 |
BA1422 |
|
14 |
24 |
7.3 |
8 |
BA1424 |
|
14.3 |
20.6 |
6.4 |
7 |
BA14.320.6 |
|
15 |
23 |
5.7 |
6.3 |
BA1523 |
|
15.9 |
22.2 |
4.8 |
5.3 |
BA15.922.2/4.8 |
|
15.9 |
22.2 |
6.4 |
7 |
BA15.922.2/6.4 |
|
16 |
22.2 |
4.5 |
5 |
BA1622.2 |
|
16 |
24 |
5.7 |
6.3 |
BA1624 |
|
16 |
26 |
7.3 |
8 |
BA1626 |
|
17.5 |
33.3 |
12.7 |
14 |
BA17.533.3 |
|
18 |
24 |
5 |
5.5 |
BA1824 |
|
18 |
26 |
5.7 |
6.3 |
BA1826 |
|
18 |
28 |
7.3 |
8 |
BA1828 |
|
19 |
29 |
7.3 |
8 |
BA1929 |
|
19.1 |
25.4 |
4.5 |
5 |
BA19.125.4/4.5 |
|
19.1 |
25.4 |
6.4 |
7 |
BA19.125.4/6.4 |
|
19.1 |
28.6 |
7.9 |
8.7 |
BA19.128.6 |
|
20 |
28
5.5 |
6 |
BA2028/5.5 |
|
20 |
28 |
5.7 |
6.3 |
BA2028/5.7 |
|
20 |
28 |
6.5 |
7.2 |
BA2028/6.5 |
|
20 |
30 |
7.3 |
8 |
BA2030 |
|
20 |
32.7 |
9.5 |
10.5 |
BA2032.7 |
|
20.6 |
26.8 |
4.8 |
5.3 |
BA20.626.8 |
|
22 |
30 |
5.7 |
6.3 |
BA2230 |
|
22 |
32 |
7.3 |
8 |
BA2232 |
|
22 |
35 |
10 |
11 |
BA2235 |
|
22.2 |
28.6 |
6.4 |
7 |
BA22.228.6 |
|
22.2 |
31.8 |
7.9 |
8.7 |
BA22.231.8 |
|
24 |
30 |
5 |
5.5 |
BA2430 |
|
24 |
32 |
7 |
7.7 |
BA2432 |
|
24 |
35 |
5.7 |
6.3 |
BA2435 |
|
25 |
33 |
5.7 |
6.3 |
BA2533 |
|
25 |
35 |
7 |
7.7 |
BA2535/7 |
|
25 |
35 |
7.3 |
8 |
BA2535/7.3 |
|
25 |
40 |
10 |
11 |
BA2540/10 |
|
25 |
40 |
11 |
12.1 |
BA2540/11 |
|
25.4 |
31.8 |
4.5 |
5 |
BA25.431.8/4.5 |
|
25.4 |
31.8 |
6.4 |
7 |
BA25.431.8/6.4 |
|
25.4 |
34.9 |
7.9 |
8.7 |
BA25.434.9 |
|
25.4 |
38.1 |
9.5 |
10.5 |
BA25.438.1 |
|
25.4 |
41.3 |
12.7 |
14 |
BA25.441.3 |
|
28 |
35 |
6.5 |
7.2 |
BA2835 |
|
28 |
36 |
5.7 |
6.3 |
BA2836 |
|
28 |
38 |
7.3 |
8 |
BA2838 |
|
28 |
43 |
11.4 |
12.5 |
BA2843 |
|
28.6 |
34.9 |
4.5 |
5 |
BA28.634.9/4.5 |
|
28.6 |
34.9 |
6.4 |
7 |
BA28.634.9/6.4 |
|
28.6 |
38.1 |
7.9 |
8.7 |
BA28.638.1 |
|
28.6 |
41.3 |
9.5 |
10.5 |
BA28.641.3 |
|
30 |
38 |
5.7 |
6.3 |
BA3038/5.7 |
|
30 |
38 |
7 |
7.7 |
BA3038/7 |
|
30 |
40 |
7 |
7.7 |
BA3040 |
|
30 |
40 |
7.5 |
8.3 |
BA3040/7.5 |
|
30 |
42 |
10 |
11 |
BA3042 |
|
30 |
45 |
8 |
8.8 |
BA3045/8 |
|
30 |
45 |
11.4 |
12.5 |
BA3045/11.4 |
|
30.2 |
39.7 |
7.9 |
8.7 |
BA30.239.7 |
|
31.8 |
38.1 |
4.5 |
5 |
BA31.838.1/4.5 |
|
31.8 |
38.1 |
6.4 |
7 |
BA31.838.1/6.4 |
|
31.8 |
41.3 |
6.8 |
7.5 |
BA31.841.3/6.8 |
|
31.8 |
41.3 |
7.9 |
8.7 |
BA31.841.3/7.9 |
|
31.8 |
44.5 |
9.5 |
10.5 |
BA31.844.5 |
|
31.8 |
47.6 |
12.7 |
14 |
BA31.847.6 |
|
32 |
40 |
5.7 |
6.3 |
BA3240/5.7 |
|
32 |
40 |
6 |
6.6 |
BA3240/6 |
|
32 |
42 |
6.3 |
6.9 |
BA3242/6.3 |
|
32 |
42 |
7.3 |
8 |
BA3242/7.3 |
|
32 |
47 |
11.4 |
12.5 |
BA3247 |
|
34.9 |
41.3 |
4.8 |
5.3 |
BA34.941.3 |
|
34.9 |
44.5 |
7.9 |
8.7 |
BA34.944.5 |
|
35 |
43 |
5.7 |
6.3 |
BA3543/5.7 |
|
35 |
43 |
6.5 |
7.2 |
BA3543/6.5 |
|
35 |
45 |
8 |
8.8 |
BA3545/8 |
|
35 |
45 |
10 |
11 |
BA3545/10 |
|
35 |
47 |
10 |
11 |
BA3547 |
|
35 |
50 |
11.4 |
12.5 |
BA3550 |
|
36 |
44 |
5.7 |
6.3 |
BA3644 |
|
36 |
46 |
7.3 |
8 |
BA3646 |
|
36 |
51 |
11.4 |
12.5 |
BA3651 |
|
38 |
50 |
7 |
7.7 |
BA3850 |
|
38.1 |
44.5 |
4.5 |
5 |
BA38.144.5/4.5 |
|
38.1 |
44.5 |
6.4 |
7 |
BA38.144.5/6.4 |
|
38.1 |
47.6 |
6.4 |
7 |
BA38.147.6/6.4 |
|
38.1 |
47.6 |
6.8 |
7.5 |
BA38.147.6/6.8 |
|
38.1 |
47.6 |
7.4 |
8.1 |
BA38.147.6/7.4 |
|
38.1 |
47.6 |
9.5 |
10.5 |
BA38.147.6/9.5 |
|
38.1 |
50.8 |
9.5 |
10.5 |
BA38.150.8 |
|
38.1 |
54 |
12.7 |
14 |
BA38.145 |
|
38.1 |
57.2 |
15.9 |
17.5 |
BA38.157.2 |
|
40 |
48 |
5.7 |
6.3 |
BA4048 |
|
40 |
49.5 |
9.5 |
10.5 |
BA4049.5 |
|
40 |
50 |
7.3 |
8 |
BA4050/7.3 |
|
40 |
50 |
10 |
11 |
BA4050/10 |
|
40 |
52 |
10 |
11 |
BA4052/10 |
|
40 |
55 |
10 |
11 |
BA4055/10 |
|
40 |
55 |
11.4 |
12.5 |
BA4055/11.4 |
|
41.3 |
50.8 |
7.9 |
8.7 |
BA41.350.8/7.9 |
|
41.3 |
50.8 |
9.5 |
10.5 |
BA41.350.8/9.5 |
|
41.3 |
57.2 |
12.7 |
14 |
BA41.357.2 |
|
41.7 |
50.7 |
7.1 |
7.8 |
BA51.750.7 |
|
42 |
50 |
6.5 |
7.2 |
BA4250 |
|
44.5 |
53.9 |
7.2 |
7.9 |
BA44.553.9 |
|
44.5 |
54 |
6.8 |
7.5 |
BA44.554/6.8 |
|
44.5 |
54 |
9.5 |
10.5 |
BA44.554/9.5 |
|
44.5 |
57.2 |
9.5 |
10.5 |
BA44.557.2 |
|
44.5 |
60.3 |
12.7 |
14 |
BA44.560.3 |
|
45 |
53 |
7.3 |
8 |
BA4553 |
|
45 |
55 |
7.3 |
8 |
BA4555/7.3 |
|
45 |
55 |
8 |
8.8 |
BA4555/8 |
|
45 |
55 |
10 |
11 |
BA4555/10 |
|
45 |
57.7 |
9.5 |
10.5 |
BA4557.7 |
|
45 |
60 |
11.4 |
12.5 |
BA4560 |
|
45 |
65 |
11.4 |
12.5 |
BA4565 |
|
47.6 |
57.2 |
4.8 |
5.3 |
BA47.657.2/4.8 |
|
47.6 |
57.2 |
9.5 |
10.5 |
BA47.657.2/9.5 |
|
47.6 |
60.3 |
9.5 |
10.5 |
BA47.660.3 |
|
47.6 |
63.5 |
9.5 |
10.5
|
BA47.663.5 |
|
48 |
60 |
10 |
11 |
BA4860 |
|
50 |
58 |
8 |
8.8 |
BA5058 |
|
50 |
60 |
7.3 |
8 |
BA5060/7.3 |
|
50 |
60 |
7.5 |
8.3 |
BA5060/7.5 |
|
50 |
60 |
10 |
11 |
BA5060/10 |
|
50 |
60 |
11.4 |
12.5 |
BA5060/11.4 |
|
50 |
62 |
9.5 |
10.5 |
BA5062 |
|
50 |
63 |
10 |
11 |
MB5063 |
|
50 |
65 |
11.4 |
12.5 |
BA5065 |
|
50 |
70 |
14.6 |
16.1 |
BA5070 |
|
50.4 |
69.9 |
15.9 |
17.5 |
BA50.469.9 |
|
50.8 |
60.3 |
7.9 |
8.7 |
BA50.860.3/7.9 |
|
50.8 |
60.3 |
9.5 |
10.5 |
BA50.860.3/9.5 |
|
50.8 |
63.5 |
9.5 |
10.5 |
BA50.863.5 |
|
50.8 |
66.7 |
12.7 |
14 |
BA50.866.7 |
|
52 |
62 |
7.3 |
8 |
BA5262 |
|
53 |
63 |
7.3 |
8 |
BA5363 |
|
54 |
63.5 |
6.8 |
7.5 |
BA5463.5/6.8 |
|
54 |
63.5 |
9.5 |
10.5 |
BA5463.5/9.5 |
|
54 |
66.7 |
9.5 |
10.5 |
BA5466.7 |
|
54 |
66.9 |
12.7 |
14 |
BA5466.9 |
|
55 |
65 |
7.3 |
8 |
BA5565 |
|
55 |
65 |
11 |
12.1 |
BA5565 |
|
55 |
70 |
11 |
12.1 |
BA5570 |
|
55 |
75 |
14.5 |
16 |
BA5575 |
|
55.9 |
70.4 |
12.7 |
14 |
BA55.970.4 |
|
56 |
66 |
10 |
11 |
BA5666 |
|
56 |
71 |
11.4 |
12.5 |
BA5671 |
|
56 |
76 |
14.6 |
16 |
BA5676 |
|
57.2 |
66.7 |
6.8 |
7.5 |
BA57.266.7/6.8 |
|
57.2 |
66.7 |
7.9 |
8.7 |
BA57.266.7/7.9 |
|
57.2 |
66.7 |
9.5 |
10.5 |
BA57.266.7/9.5 |
|
57.2 |
69.6 |
9.5 |
10.5 |
BA57.269.6 |
|
57.2 |
76.2 |
15.9 |
17.5 |
BA57.276.2 |
|
60 |
68 |
7 |
7.7 |
BA6068/7 |
|
60 |
68 |
11.4 |
12.5 |
BA6068/11.4 |
|
60 |
68 |
13 |
14.5 |
BA6068/13 |
|
60 |
70 |
7.3 |
8 |
BA6070/7.3 |
|
60 |
70 |
10.5 |
11.6 |
BA6070/10.5 |
|
60 |
70 |
12
13.2 |
BA6070/12 |
|
60 |
72 |
9 |
9.9 |
BA6072/9 |
|
60 |
72 |
10 |
11 |
BA6072/10 |
|
60 |
75 |
13.5 |
14.9 |
BA6075 |
|
60 |
80 |
12 |
13.2 |
BA6080/12 |
|
60 |
80 |
14 |
15.4 |
BA6080/14 |
|
63 |
73 |
5.5 |
6 |
BA6373 |
|
63 |
75 |
8.7 |
9.6 |
BA6375 |
|
63 |
78 |
11.4 |
12.5 |
BA6378 |
|
63 |
83 |
14.5 |
16 |
BA6383 |
|
63.5 |
73 |
9.5 |
10.5 |
BA63.573 |
|
63.5 |
76.2 |
6.4 |
7 |
BA63.576.2/6.4 |
|
63.5 |
76.2 |
9.5 |
10.5 |
BA63.576.2/9.5 |
|
63.5 |
79.4 |
12.7 |
14 |
BA63.579.4 |
|
64 |
80 |
12 |
13.2 |
BA6480 |
|
65 |
73 |
7 |
7.7 |
BA6573 |
|
65 |
75 |
10 |
11 |
BA6575 |
|
65 |
77 |
8.7 |
9.6 |
BA6577 |
|
65 |
85 |
12 |
13.2 |
BA6585/12 |
|
68 |
85 |
15 |
16.5 |
BA6885/15 |
|
66.7 |
76.2 |
6.8 |
7.5 |
BA66.776.2/6.8 |
|
66.7 |
76.2 |
9.5 |
10.5 |
BA66.776.2/9.5 |
|
66.7 |
79.4 |
9.5 |
10.5 |
BA66.779.4 |
|
68 |
88 |
15 |
16.5 |
BA6888 |
|
69.9 |
82.6 |
9.5 |
10.5 |
BA69.982.6 |
|
69.9 |
85.7 |
12.7 |
14 |
BA69.985.7 |
|
69.9 |
88.9 |
15.9 |
17.5 |
BA69.988.9 |
|
70 |
80 |
11.4 |
12.5 |
BA7080 |
|
70 |
82 |
8.7 |
9.6 |
BA7082/8.7 |
|
70 |
82 |
9.5 |
10.5 |
BA7082/9.5 |
|
70 |
85 |
9.5 |
10.5 |
BA7085/9.5 |
|
70 |
85 |
11.4 |
12.5 |
BA7085/11.4 |
|
70 |
90 |
12 |
13.2 |
BA7090/12 |
|
70 |
90 |
14.5 |
16 |
BA7090/14.5 |
|
73 |
80 |
7 |
7.7 |
BA7380 |
|
73 |
82.6 |
6.8 |
7.5 |
BA7382.6/6.8 |
|
73 |
82.6 |
9.5 |
10.5 |
BA7382.6/9.5 | |
|
d |
D |
H |
L |
订货号 |
|
73 |
85.7 |
9.5 |
10.5 |
BA7385.7 |
|
73 |
88.9 |
11.4 |
12.5 |
BA7388.9 |
|
75 |
83 |
6.5 |
7.2 |
BA7583 |
|
75 |
85 |
10.5 |
11.6 |
BA7585 |
|
75 |
90 |
11.4 |
12.5 |
BA7590 |
|
76.2 |
85.7 |
7.9 |
8.7 |
BA76.285.7/7.9 |
|
76.2 |
85.7 |
9.5 |
10.5 |
BA76.285.7/9.5 |
|
76.2 |
88.9 |
9.5 |
10.5 |
BA76.288.9 |
|
76.2 |
92.1 |
9.5 |
10.5 |
BA76.292.1/9.5 |
|
76.2 |
92.1 |
12.7 |
14 |
BA76.292.1/12.7 |
|
76.2 |
95.3 |
15.9 |
17.5 |
BA76.295.3 |
|
78 |
86 |
13 |
14.5 |
BA7886 |
|
79.4 |
88.9 |
9.5 |
10.5 |
BA79.488.9 |
|
79.4 |
92.1 |
9.5 |
10.5 |
BA79.492.1 |
|
80 |
88 |
6.5 |
7.2 |
BA8088 |
|
80 |
90 |
11.4 |
12.5 |
BA8090 |
|
80 |
92 |
9 |
9.9 |
BA8092 |
|
80 |
92.7 |
9.5 |
10.5 |
BA8092.7 |
|
80 |
95 |
11.4 |
12.5 |
BA8095 |
|
80 |
100 |
9.5 |
10.5 |
BA80100/9.5 |
|
80 |
100 |
12 |
13.2 |
BA80100/12 |
|
80 |
100 |
13.5 |
14.8 |
BA80, 100/1, 3.5 |
|
80 |
100 |
15 |
16.5 |
BA80100/15 |
|
81 |
95 |
14.6 |
16 |
BA8195 |
|
81.3 |
95.8 |
12.7 |
14 |
BA81.395.8 |
|
82 |
92 |
10 |
11 |
BA8292 |
|
82.6 |
95.3 |
9.5 |
10.5 |
BA82.695.3 |
|
82.6 |
101.6 |
12.7 |
14 |
BA82.6101.6/12.7 |
|
82.6 |
101.6 |
15.9 |
17.5 |
BA82.6101.6/15.9 |
|
85 |
95 |
9.5 |
10.5 |
BA8595 |
|
85 |
100 |
9.5 |
10.5 |
BA85100/9.5 |
|
85 |
100 |
12 |
13.2 |
BA85100/12 |
|
85 |
105 |
14.5 |
16 |
BA85105 |
|
85.7 |
95.3 |
9.5 |
10.5 |
BA85.795.3 |
|
85.7 |
101.6 |
12.8 |
14.1 |
BA85.7101.6 |
|
85.7 |
104.8 |
15.9 |
17.5 |
BA85.7104.8 |
|
88.5 |
108.5 |
15 |
16.5 |
BA88.5108.5 |
|
88.9 |
98.4 |
9.5 |
10.5 |
BA88.998.4 |
|
88.9 |
101.6 |
9.5 |
10.5 |
BA88.9101.6 |
|
88.9 |
108 |
15.9 |
17.5 |
BA88.9108 |
|
88.9 |
114.3 |
19.1 |
21 |
BA88.9114.3 |
|
90 |
100 |
11.4 |
12.5 |
BA90100 |
|
90 |
105 |
11.4 |
12.5 |
BA90105 |
|
90 |
110 |
12 |
13.2 |
BA90110/12 |
|
90 |
110 |
14.5 |
16 |
BA90110/14.5 |
|
92.1 |
111.1 |
15.9 |
17.5 |
BA92.1111.1 |
|
94 |
108.5 |
12.7 |
14 |
BA94108.5 |
|
95 |
105 |
11.4 |
12.5 |
BA95105 |
|
95 |
110 |
11.4 |
12.5 |
BA95110 |
|
95.3 |
104.8 |
9.5 |
10.5 |
BA95.3104.8 |
|
95.3 |
108 |
9.5 |
10.5 |
BA95.3108/9.5 |
|
95.3 |
108 |
14.3 |
15.7 |
BA95.3108/14.3 |
|
95.3 |
114.3 |
12.7 |
14 |
BA95.3114.3/12.7 |
|
95.3 |
114.3 |
15.9 |
17.5 |
BA95.3114.3/15.9 |
|
98.4 |
123.8 |
19.1 |
21 |
BA98.4123.8 |
|
100 |
108 |
6.5 |
7.2 |
BA100108 |
|
100 |
110 |
11.4 |
12.5 |
BA100110 |
|
100 |
115 |
11 |
12.1 |
BA100115/11 |
|
100 |
115 |
14.6 |
16 |
BA100115/14.6 |
|
100 |
120 |
12 |
13.2 |
BA100120/12 |
|
100 |
120 |
14.5 |
16 |
BA100120/14.5 |
|
100 |
125 |
18.2 |
20 |
BA100125 |
|
101.6 |
111.1 |
9.5 |
10.5 |
BA101.6111.1 |
|
101.6 |
114.3 |
9.5 |
10.5 |
BA101.6114.3/9.5 |
|
101.6 |
114.3 |
14.3 |
15.7 |
BA101.6114.3/14.3 |
|
101.6 |
117.5 |
14.3 |
15.7 |
BA101.6117.5 |
|
101.6 |
120.7 |
15.9 |
17.5 |
BA101.6120.7 |
|
101.6 |
127 |
19.1 |
21 |
BA101.6127 |
|
104.8 |
123.8 |
15.9 |
17.5 |
BA104.8123.8 |
|
105 |
115 |
10 |
11 |
BA105115 |
|
105 |
120 |
11.4 |
12.5 |
BA105120 |
|
105 |
125 |
14.5 |
16 |
BA105125 |
|
108 |
120.7 |
9.5 |
10.5 |
BA108120.7/9.5 |
|
108 |
120.7 |
14.3 |
15.7 |
BA108120.7/14.3 |
|
108 |
123 |
14.3 |
15.7 |
BA108123 |
|
108 |
123.8 |
14.3 |
15.7 |
BA108123.8 |
|
108 |
127 |
15.9 |
17.5 |
BA108127 |
|
110 |
120 |
10.5 |
11.6 |
BA110120 |
|
110 |
125 |
11.4 |
12.5 |
BA110125 |
|
110 |
130 |
12 |
13.2 |
BA110130/12 |
|
110 |
130 |
14.5 |
16 |
BA110130/14.5 |
|
110 |
135 |
18.2, SPAN> | <, TD style="PAD, DING-BOTTOM: 0cm; PADDING-LEFT: 0cm; PADDING-RIGHT: 0cm; PADDING-TOP: 0cm">
20
BA110135 |
|
111.1 |
127 |
12.7 |
14 |
BA111.1127 |
|
112 |
127 |
9 |
9.9 |
BA112127 |
|
114.3 |
127 |
9.5 |
10.5 |
BA114.3127/9.5 |
|
114.3 |
127 |
14.3 |
15.7 |
BA114.3127/14.3 |
|
114.3 |
130.2 |
15.9 |
17.5 |
BA114.3130.2 |
|
114.3 |
133.4 |
15.9 |
17.5 |
BA114.3133.4 |
|
114.3 |
139.7 |
19.1 |
21 |
BA114.3139.7 |
|
115 |
125 |
11.4 |
12.5 |
BA115125 |
|
115 |
130 |
11.4 |
12.5 |
BA115130 |
|
117.5 |
136.5 |
15.9 |
17.5 |
BA117.5136.5 |
|
120 |
130 |
11.4 |
12.5 |
BA120130 |
|
120 |
135 |
11.4 |
12.5 |
BA120135 |
|
120 |
140 |
15 |
16.5 |
BA120140 |
|
120.7 |
133.4 |
9.5 |
10.5 |
BA120.7133.4/9.5 |
|
120.7 |
133.4 |
14.3 |
15.7 |
BA120.7133.4/14.3 |
|
120.7 |
136.5 |
15.9 |
17.5 |
BA120.7136.5 |
|
120.7 |
139.7 |
15.9 |
17.5 |
BA120.7139.7 |
|
123.8 |
142.9 |
15.9 |
17.5 |
BA123.8142.9 |
|
125 |
135 |
11.4 |
12.5 |
BA125135 |
|
125 |
140 |
,
11.4 |
12.5 |
BA125140 |
|
125 |
145 |
14.5 |
16 |
BA125145 |
|
125 |
150 |
18.2 |
20 |
BA125150 |
|
127 |
139.7 |
9.5 |
10.5 |
BA127139.7/9.5 |
|
127 |
139.7 |
14.3 |
15.7 |
BA127139.7/14.3 |
|
127 |
142.9 |
15.9 |
17.5 |
BA127142.9 |
|
127 |
146.1 |
15.9 |
17.5 |
BA127146.1 |
|
127 |
152.4 |
19.1 |
21 |
BA127152.4 |
|
130 |
145 |
9 |
9.9 |
BA130145/9 |
|
130 |
145 |
14.5 |
16 |
BA130145/14.5 |
|
133.4 |
146.1 |
14.3 |
15.7 |
BA133.4146.1 |
|
133.4 |
152.4 |
15.9 |
17.5 |
BA133.4152.4 |
|
135 |
155 |
14.5 |
16 |
BA135155 |
|
135 |
160 |
18.2 |
20 |
BA135160 |
|
139.7 |
152.3 |
9.5 |
10.5 |
BA139.7152.3 |
|
139.7 |
152.4 |
14.3 |
15.7 |
BA139.7152.4 |
|
139.7 |
158.8 |
15.9 |
17.5 |
BA139.7158.8 |
|
139.7 |
165.1 |
19.1 |
21 |
BA139.7165.1 |
|
140 |
150 |
10.5 |
11.6 |
BA140150/10.5 |
|
140 |
150 |
11.4 |
12.5 |
BA140150/11.4 |
|
140, B> |
160 |
14.5 |
16 |
BA140160 |
|
140 |
165 |
18.2 |
20 |
BA140165 |
|
142.9 |
155.6 |
14.3 |
15.7 |
BA142.9155.6 |
|
142.9 |
161.9 |
15.9 |
17.5 |
BA142.9161.9 |
|
143 |
151 |
13 |
14.5 |
BA143151 |
|
145 |
155 |
11.4 |
12.5 |
BA145155 |
|
145 |
165 |
14.5 |
16 |
BA145165 |
|
146.1 |
158.8 |
14.3 |
15.7 |
BA146.1158.8 |
|
146.1 |
165.1 |
15.9 |
17.5 |
BA146.1165.1 |
|
150 |
160 |
11.4 |
12.5 |
BA150160 |
|
150 |
170 |
14.5 |
16 |
BA150170 |
|
152.4 |
165.1 |
11.1 |
12.2 |
BA152.4165.1/11.1 |
|
152.4 |
165.1 |
14.3 |
15.7 |
BA152.4165.1/14.3 |
|
152.4 |
171.5 |
15.9 |
17.5 |
BA152.4171.5 |
|
152.4 |
117.8 |
19.1 |
21 |
BA152.4117.8 |
|
155 |
175 |
15 |
16.5 |
BA155175 |
|
158.8 |
177.8 |
15.9 |
17.5 |
BA158.8177.8 |
|
160 |
168 |
13 |
14.5 |
BA160168 |
|
160 |
180 |
15 |
16.5 |
BA160180 |
|
160 |
185 |
18.2 |
20 |
BA160185 |
|
, 160 |
190 |
22.7 |
25 |
BA160190 |
|
165 |
190 |
18.2 |
20 |
BA165190 |
|
165.1 |
177.8 |
14.3 |
15.7 |
BA165.1177.8 |
|
165.1 |
184.2 |
9.5 |
10.5 |
BA165.1184.2/9.5 |
|
165.1 |
184.2 |
12.7 |
14 |
BA165.1184.2/12.7 |
|
165.1 |
190.5 |
19.1 |
21 |
BA165.1190.5 |
|
170 |
180 |
11.4 |
12.5 |
BA170180 |
|
170 |
190 |
15 |
16.5 |
BA170190 |
|
170 |
195 |
19 |
21 |
BA170195 |
|
171 |
179 |
13 |
14.5 |
BA171179 |
|
171.5 |
184.2 |
9.5 |
10.5 |
BA171.5184.2/9.5 |
|
171.5 |
184.2 |
14.3 |
15.7 |
BA171.5184.2/14.3 |
|
171.5 |
187.3 |
15.9 |
17.5 |
BA171.5187.3 |
|
175 |
185 |
11.4 |
12.5 |
BA175185 |
|
175 |
195 |
15.9 |
17.5 |
BA175195 |
|
177.8 |
190.5 |
14.3 |
15.7 |
BA177.8190.5 |
|
177.8 |
196.3 |
12.7 |
14 |
BA177.8196.3 |
|
177.8 |
196.9 |
15.9 |
17.5 |
BA177.8196.9 |
|
177.8 |
203.25 |
19.1 |
21 |
BA177.8203.25 |
|
180 |
190 |
11.4 |
12.5 |
BA180190 |
|
180 |
200 |
15 |
16.5 |
BA180200 |
|
180 |
205 |
18.2 |
20 |
BA180205 |
|
180 |
210 |
22.7 |
25 |
BA180210 |
|
184.2 |
203.2 |
15.9 |
17.5 |
BA184.2203.2 |
|
187.3 |
206.4 |
12.7 |
14 |
BA187.3206.4 |
|
190.5 |
203.2 |
14.3 |
15.7 |
BA190.5203.2 |
|
196.9 |
215.9 |
12.7 |
14 |
BA196.9215.9 |
|
200 |
210 |
11.4 |
12.5 |
BA200210 |
|
200 |
220 |
15 |
16.5 |
BA200220/15 |
|
200 |
220 |
18 |
19.8 |
BA200220/18 |
|
200 |
220 |
19 |
20.9 |
BA200220/19 |
|
200 |
225 |
18.2 |
20 |
BA200225 |
|
200 |
230 |
22.7 |
25 |
BA200230 |
|
203.2 |
215.9 |
14.3 |
15.7 |
BA203.2215.9 |
|
203.2 |
222.3 |
15.9 |
17.5 |
BA203.2222.3 |
|
203.2 |
228.6 |
19.1 |
21 |
BA203.2228.6 |
|
204 |
220 |
16 |
17.6 |
BA204220 |
|
205 |
225 |
18.2 |
20 |
BA205225 |
|
206.4 |
219.1 |
14.3 |
15.7 |
BA206.4219.1 |
|
210 |
230 |
14.5 |
16 |
<, P class=MsoNormal align=center le="TEXT, -ALIGN: center; mso-pagination: widow-orphan" sty,>BA210230
|
|
215.9 |
228.6 |
14.3 |
15.7 |
BA215.9228.6 |
|
215.9 |
241.3 |
19.1 |
21 |
BA215.9241.3 |
|
218 |
230 |
9 |
9.9 |
BA218230 |
|
220 |
240 |
15 |
16.5 |
BA220240 |
|
220 |
250 |
18 |
19.8 |
BA220250/18 |
|
220 |
250 |
22.7 |
25 |
BA220250/22.7 |
|
222.3 |
241.3 |
12.7 |
14 |
BA222.3241.3 |
|
222.3 |
241.4 |
19.1 |
21 |
BA222.3241.4 |
|
235 |
260.4 |
19.1 |
21 |
BA235260.4 |
|
238.1 |
254 |
15.9 |
17.5 |
BA238.1254 |
|
240 |
260 |
14.5 |
16 |
BA240260 |
|
250 |
280 |
22.7 |
25 |
BA250280 |
|
254 |
279.4 |
19.1 |
21 |
BA254279.4 |
|
254 |
285.4 |
25.4 |
28 |
BA254285.4 |
|
260.4 |
279.4 |
12.7 |
14 |
BA260.4279.4 |
|
266.7 |
285.8 |
15.9 |
17.5 |
BA266.7285.8 |
|
273.1 |
292.1 |
15.9 |
17.5 |
BA273.1292.1 |
|
279.4 |
304.8 |
19.1 |
21 |
BA279.4304.8 |
|
280 |
310 |
22.7 |
25 |
BA280310 |
|
285.8 |
304.8 |
15.9 |
17.5 |
BA285.8304.8 |
|
290 |
320 |
22.5 |
25 |
BA290320 |
|
311.2 |
342.9 |
25.4 |
28 |
BA311.2342.9 |
|
317.5 |
342.9 |
19.1 |
21 |
BA317.5342.9 |
|
360 |
385 |
20 |
22 |
BA360385 |
|
360 |
390 |
22.5 |
25 |
BA360390 |
|
381 |
406.4 |
19.1 |
21 |
BA381406.4 |
|
419.1 |
444.5 |
19.1 |
21 |
BA419.1444.5 |
|
501.7 |
533.4 |
25.4 |
28 |
BA501.7533.4 | |