| 产品列表 PRODUCTS LIST |
|
 |
|
| |
| 联系我们 |
|
| 河北诺润橡塑制品有限公司 |
| 地 址:河北省景县高卜经济开发区268号 |
| 电 话:0318-4397333 |
| 传 真:0318-4338899 |
| 手 机:18932816555 |
| 网 址:www.nuorunseal.com |
| 邮 箱:86698912@qq.com |
|
 |
| |
|
|
|
| |
|
|
|
|
|
| STD 格莱圈 |
发布日期:2016-12-15 0:00:13
浏览:9565
|
| 产品分类:活塞密封(孔用)
|
| 产品简介: |
格莱圈由一个聚四氟乙烯导向环和一个橡胶O型圈组合而成,博润的材质为PTFE + NBR,特殊情况下橡胶弹性体丁腈胶NBR采用氟胶FKM。它可分为孔用格莱圈和轴用格莱圈,但其密封作用是一样的,依其本身的变形对密封表面产生... |
|
| 订购热线:18932816555 |
 |
|
|
|



|
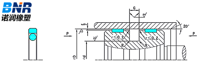
一、性能与用途 由一个抗磨的填充聚四氟乙烯(PTFE)环和O形橡胶密封圈组成。O形圈提供预紧力,可对PTFE方形环的磨损起补偿作用。适用于液压缸活塞的密封,为双向密封。一般与导向环配套使用。孔径小于40的规格, 应采用分体式沟槽。 二、材 质 PTFE+NBR,或者PTFE+氟胶FKM。 三、工况条件 工作压力:0-40MPa; 往复速度:≤5m/s; 使用温度:O形圈为丁腈胶NBR时:-30~+120℃,氟胶FKM时:-20~+200℃; 工作介质:液压油、气、水(在磷酸酯液压油中选用氟胶)。 四、设计标准 本系列符合ISO 7425/1标准,符合GB/T15242.1-94及GB/T15242.3-94标准,可参照霞板公司GS55044系列,Merkel公司OMK-MR系列及Parker公司OE系列。 五、标注方法 孔用方形圈用订货号来标注STD-0080。 六、结构装置


| 规格及沟槽尺寸 |
| 订货号 |
D |
d |
G+0.2 |
R max |
E |
| 0-20 MPa |
20-40 MPa |
| STD0080 |
8 |
3.1 |
2.2 |
0.5 |
0.6-0.4 |
0.4-0.3 |
| STD0100 |
10 |
5.1 |
| STD0140 |
14 |
9.1 |
| STD0150 |
15 |
7.5 |
3.2 |
0.5 |
0.8-0.5 |
0.5-0.3 |
| STD0160 |
16 |
8.5 |
| STD0180 |
18 |
10.5 |
| STD0200 |
20 |
12.5 |
| STD0250 |
25 |
17.5 |
| STD0280 |
28 |
20.5 |
| STD0300 |
30 |
22.5 |
| STD0320 |
32 |
24.5 |
| STD0350 |
35 |
27.5 |
| STD0360 |
36 |
28.5 |
| STD0380 |
38 |
30.5 |
| STD0390 |
39 |
31.5 |
| STD0400 |
40 |
29.0 |
4.2 |
0.7 |
0.8-0.5 |
0.5-0.3 |
| STD0450 |
45 |
34.0 |
| STD0480 |
48 |
37.0 |
| STD0500 |
50 |
39.0 |
| STD0520 |
52 |
41.0 |
| STD0550 |
55 |
44.0 |
| STD0600 |
60 |
49.0 |
| STD0630 |
63 |
52.0 |
| STD0640 |
64 |
53.0 |
| STD0650 |
65 |
54.0 |
| STD0700 |
70 |
59.0 |
| STD0750 |
75 |
64.0 |
| STD0800 |
80 |
64.5 |
6.3 |
1.2 |
1.0-0.6 |
0.6-0.4 |
| STD0850 |
85 |
69.5 |
| STD0890 |
89 |
73.5 |
| STD0900 |
90 |
74.5 |
| STD0950 |
95 |
79.5 |
| STD1000 |
100 |
84.5 |
| STD1050 |
105 |
89.5 |
| STD1100 |
110 |
94.5 |
| STD1150 |
115 |
99.5 |
| STD1200 |
120 |
104.5 |
| STD1250 |
125 |
109.5 |
| STD1300 |
130 |
114.5 |
| STD1320 |
132 |
116.5 |
| STD1330 |
133 |
112.0 |
8.1 |
1.5 |
1.0-0.6 |
0.6-0.4 |
| STD1350 |
135 |
114.0 |
| STD1400 |
140 |
119.0 |
| STD1450 |
145 |
124.0 |
| STD1500 |
150 |
129.0 |
| STD1550 |
155 |
134.0 |
| STD1600 |
160 |
139.0 |
| STD1650 |
165 |
144.0 |
| STD1700 |
170 |
149.0 |
| STD1750 |
175 |
154.0 |
| STD1800 |
180 |
159.0 |
| STD1900 |
190 |
169.0 |
| STD2000 |
200 |
179.0 |
| STD2100 |
210 |
189.0 |
| STD2200 |
220 |
199.0 |
| STD2300 |
230 |
209.0 |
| STD2400 |
240 |
219.0 |
| STD2500 |
250 |
229.0 |
| STD2600 |
260 |
239.0 |
| STD2700 |
270 |
249.0 |
| STD2800 |
280 |
259.0 |
| STD2900 |
290 |
269.0 |
| STD3000 |
300 |
279.0 |
| STD3100 |
310 |
289.0 |
| STD3200 |
320 |
299.0 |
| STD3300 |
330 |
305.5 |
| STD3400 |
340 |
315.5 |
| STD3500 |
350 |
325.5 |
8.1 |
1.5 |
1.2-0.7 |
0.7-0.5 |
| STD3600 |
360 |
335.5 |
| STD3700 |
370 |
345.5 |
| STD3800 |
380 |
355.5 |
| STD3900 |
390 |
365.5 |
| STD4000 |
400 |
375.5 |
| STD4100 |
410 |
385.5 |
| STD4200 |
420 |
395.5 |
| STD4300 |
430 |
405.5 |
| STD4400 |
440 |
415.5 |
| STD4500 |
450 |
425.5 |
| STD4600 |
460 |
435.5 |
| STD4700 |
470 |
445.5 |
| STD4800 |
480 |
455.5 |
| STD4900 |
490 |
465.5 |
| STD5000 |
500 |
475.5 |
| STD5100 |
510 |
485.5 |
| STD5200 |
520 |
495.5 |
| STD5300 |
530 |
505.5 |
| STD5400 |
540 |
515.5 |
| STD5500 |
550 |
525.5 |
| STD5600 |
560 |
535.5 |
| STD5700 |
570 |
545.5 |
| STD5800 |
580 |
555.5 |
| STD5900 |
590 |
565.5 |
| STD6000 |
600 |
575.5 |
| STD6100 |
610 |
585.5 |
| STD6200 |
620 |
595.5 |
| STD6300 |
630 |
605.5 |
| STD6400 |
640 |
615.5 |
| STD6500 |
650 |
625.5 |
| STD6600 |
660 |
635.5 |
| STD6700 |
670 |
642.0 |
9.5 |
2.0 |
1.2-0.7 |
0.7-0.5 |
| STD6800 |
680 |
652.0 |
| STD6900 |
690 |
662.0 |
| STD7000 |
700 |
672.0 |
| STD7100 |
710 |
682.0 |
| STD7500 |
750 |
722.0 |
| STD8000 |
800 |
772.0 |
| STD9000 |
900 |
872.0 |
| |
|
|
|
|
|
|
|
|
|
| |
|