GDKK组合密封

一、性能与用途
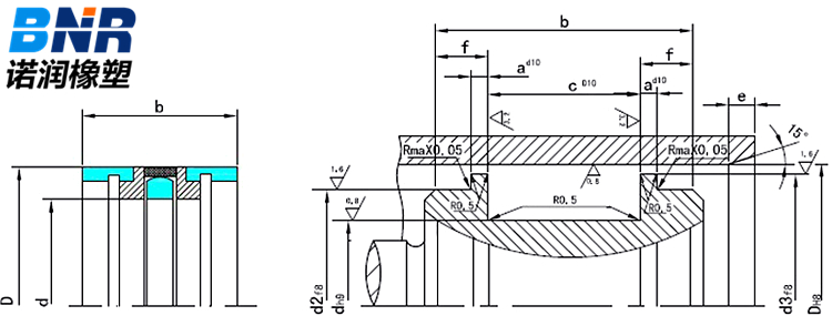
由密封环、两个导向环、两个挡圈、一个弹性橡胶圈组成。导向环起定位和导向作用,挡圈起到支承和定位作用,弹性橡胶圈提供预紧力并补偿密封环的磨损,密封环与油缸内孔形成配合而对偶面产生密封效果。适用于油缸活塞的密封。GDKK具有双向密封效果。
二、材质
导向环:尼龙PA、聚甲醛POM或聚四氟乙烯PTFE;
挡圈:尼龙PA、聚甲醛POM聚四氟乙烯PTFE;
橡胶圈:一般为丁晴胶NBR,特殊情况下选用氟胶FKM;
密封环:聚四氟乙烯PTFE。
三、工况条件
工作压力:≤45Mpa;
往复速度:≤1m/s;
使用温度:-35~+200℃(若使用温度在120℃以上或在磷酸酯系液压油中,导向环和挡圈需采用聚四氟乙烯PTFE,橡胶圈需采用氟胶FKM);
工作介质:液压油、乳化液、水。
四、设计标准
设计选用时可参考Hunger公司GD1000K系列。
五、标注方法
组合密封GDKK用订货号来标注,示例:组合密封GDKK0050。
六、结构装置

| 规格及沟槽尺寸 |
| 订货号 |
D |
d |
b |
d2 |
d3 |
a |
c |
f |
e |
| GDKK0500 |
50 |
34 |
39 |
42 |
46 |
3 |
20.5 |
9.25 |
7 |
| GDKK0560 |
56 |
40 |
48 |
52 |
| GDKK0630 |
63 |
47 |
55 |
59 |
| GDKK0650 |
65 |
49 |
57 |
61 |
| GDKK0700 |
70 |
54 |
62 |
66 |
| GDKK0750 |
75 |
59 |
67 |
71 |
| GDKK0800 |
80 |
62 |
43 |
72 |
76 |
3 |
22.5 |
10.25 |
| GDKK0850 |
85 |
67 |
77 |
81 |
| GDKK0900 |
90 |
72 |
82 |
86 |
| GDKK0950 |
95 |
77 |
87 |
91 |
| GDKK1000 |
100 |
82 |
92 |
96 |
10 |
| GDKK1100 |
110 |
92 |
102 |
106 |
| GDKK1150 |
115 |
97 |
107 |
111 |
| GDKK1200 |
120 |
102 |
112 |
116 |
| GDKK1250 |
125 |
103 |
53 |
115 |
121 |
4 |
26.5 |
13.25 |
| GDKK1300 |
130 |
108 |
120 |
126 |
| GDKK1400 |
140 |
118 |
130 |
136 |
| GDKK1500 |
150 |
128 |
140 |
146 |
| GDKK1600 |
160 |
138 |
150 |
156 |
| GDKK1700 |
170 |
148 |
57 |
160 |
166 |
6 |
15.25 |
| GDKK1800 |
180 |
158 |
170 |
176 |
| GDKK1900 |
190 |
165 |
64 |
180 |
186 |
4.5 |
31.5 |
16.25 |
| GDKK2000 |
200 |
175 |
190 |
196 |
| GDKK2100 |
210 |
185 |
71 |
200 |
206 |
8 |
19.75 |
12 |
| GDKK2200 |
220 |
195 |
210 |
216 |
| GDKK2250 |
225 |
200 |
215 |
221 |
| GDKK2300 |
230 |
205 |
85 |
220 |
226 |
15 |
26.75 |
| GDKK2400 |
240 |
215 |
230 |
236 |
| GDKK2500 |
250 |
225 |
240 |
246 |
| GDKK2750 |
275 |
250 |
265 |
271 |
| GDKK2800 |
280 |
255 |
270 |
276 |
| GDKK2900 |
290 |
265 |
280 |
286 |
| GDKK3000 |
300 |
275 |
290 |
296 |
| GDKK3100 |
310 |
280 |
80 |
298 |
304 |
8.5 |
36.5 |
21.75 |
15 |
| GDKK3200 |
320 |
290 |
308 |
314 |
| GDKK3500 |
350 |
320 |
338 |
344 |
| GDKK3600 |
360 |
330 |
348 |
354 |
| GDKK3800 |
380 |
350 |
368 |
374 |
| GDKK4000 |
400 |
370 |
388 |
394 |
| GDKK4200 |
420 |
390 |
408 |
414 |
| GDKK4500 |
450 |
420 |
438 |
444 |
| GDKK4800 |
480 |
450 |
468 |
474 |
| GDKK5000 |
500 |
470 |
488 |
494 |
| GDKK5400 |
540 |
510 |
528 |
534 |
| GDKK5600 |
560 |
530 |
548 |
554 |
| GDKK5800 |
580 |
550 |
568 |
574 |
| GDKK6000 |
600 |
570 |
588 |
594 |
| GDKK6300 |
630 |
600 |
618 |
624 |
| GDKK6400 |
640 |
610 |
628 |
634 |
| GDKK6500 |
650 |
620 |
638 |
644 |
| GDKK6800 |
680 |
650 |
668 |
674 |
| GDKK7000 |
700 |
670 |
688 |
694 |
| GDKK7500 |
750 |
720 |
738 |
744 |
| GDKK8000 |
800 |
770 |
788 |
794 |