| 产品列表 PRODUCTS LIST |
|
 |
|
| |
| 联系我们 |
|
| 河北诺润橡塑制品有限公司 |
| 地 址:河北省景县高卜经济开发区268号 |
| 电 话:0318-4397333 |
| 传 真:0318-4338899 |
| 手 机:18932816555 |
| 网 址:www.nuorunseal.com |
| 邮 箱:86698912@qq.com |
|
 |
| |
|
|
|
| |
|
|
|
|
|
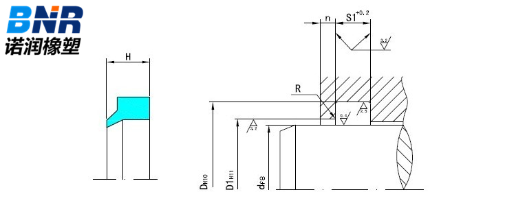
| FP6形防尘圈 |
发布日期:2016-12-15 22:13:08
浏览:2011
|
| 产品分类:防尘密封
|
| 产品简介: |
防尘圈,主要作用是除去往复运动活塞杆露在缸外部表面上所附着的尘土、灰砂、雨水及冰霜等污物,防止外部灰尘、雨水进入密封机构内部。博润的防尘圈应该是尖锐的唇型结构,低摩擦系数.这样能够实现阻止外界的粉尘进入... |
|
| 订购热线:18932816555 |
 |
|
|
|

一、性能与用途 用于防止污染物混入液压系统和密封系统。 二、材 质 橡塑RP,特殊情况下选用氟胶FKM。 三、工况条件 工作温度:橡塑RP:-30~+120℃; 氟胶FKM:-20~+200℃。 四、设计标准 设计选用时可参照Merkel公司P6系列或Parker公司A5或Hunger公司AI系列。 五、标注及订货方法 防尘圈FP6用订货号来标注,示例:FP6-0250 RP 六、结构装置

|
|
|
|
|
|
|
|
|
|
| |
|