| 产品列表 PRODUCTS LIST |
|
 |
|
| |
| 联系我们 |
|
| 河北诺润橡塑制品有限公司 |
| 地 址:河北省景县高卜经济开发区268号 |
| 电 话:0318-4397333 |
| 传 真:0318-4338899 |
| 手 机:18932816555 |
| 网 址:www.nuorunseal.com |
| 邮 箱:86698912@qq.com |
|
 |
| |
|
|
|
| |
|
|
|
|
|
| STd斯特封(阶梯圈) |
发布日期:2016-12-14 23:38:50
浏览:11659
|
| 产品分类:活塞杆密封(轴用)
|
| 产品简介: |
性能与用途:由一个抗磨的填充聚四氟乙烯(PTFE)环和O形橡胶密封圈组成。O形圈提供预紧力,可对PTFE方形环的磨损起补偿作用。适用于液压缸活塞的密封,为双向密封。一般与导向环配套使用。孔径小于40的规格, 应采用... |
|
| 订购热线:18932816555 |
 |
|
|
|



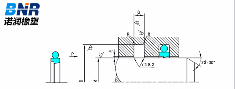
一、性能与用途 由一个低磨擦的填充聚四氟乙烯(PTFE)环和O形橡胶密封圈组合而成,O形圈提供足够的密封预紧力,并对PTFE环的磨耗起补偿作用。PTFE摩擦系数小,动静摩擦系数相近。适用于高低速往复运动及高压系统的油缸活塞杆密封。采用两个阶梯圈密封,可达到零泄露。一般要和导向环配套使用。轴径小于Φ30的规格,应采用分体式沟槽。 二、材 质 阶梯圈为填充聚四氟乙烯PTFE,O形圈为丁腈橡胶NBR或氟胶FKM。 三、工况条件 耐 压:0-40MPa; 往复速度:≤5m/s; 工作温度:丁晴NBR:-30~+120℃,氟胶FKM:-20~+200℃; 工作介质:液压油、气、水(在磷酸酯液压油中选用氟胶)。 四、设计标准 本系列符合GB/T 15242.1-94及GB/T 15242.3-94标准。可参考Parker公司OD系列、Merkel公司-OMS-MR及霞板公司S55013系列。 五、标注方法 轴用阶梯圈用订货号来标注,示例:STd-0040 PTFE+NBR 六、结构装置

| 规格及沟槽尺寸 |
| 订货号 |
d |
D |
G+0.15 |
Rmax |
E |
| 0-20 MPa |
20-40 MPa |
| STd0040 |
4 |
8.9 |
2.2 |
0.3 |
0.4-0.2 |
0.2-0.1 |
| STd0050 |
5 |
9.9 |
| STd0060 |
6 |
10.9 |
| STd0070 |
7 |
11.9 |
| STd0080 |
8 |
15.5 |
3.2 |
0.5 |
0.6-0.3 |
0.3-0.1 |
| STd0100 |
10 |
17.5 |
| STd0120 |
12 |
19.5 |
| STd0140 |
14 |
21.5 |
| STd0160 |
16 |
23.5 |
| STd0180 |
18 |
25.5 |
| STd0190 |
19 |
30 |
4.2 |
0.7 |
0.3-0.2 |
| STd0200 |
20 |
31 |
| STd0220 |
22 |
33 |
| STd0250 |
25 |
36 |
| STd0280 |
28 |
39 |
| STd0300 |
30 |
41 |
| STd0320 |
32 |
43 |
| STd0350 |
35 |
46 |
| STd0360 |
36 |
47 |
| STd0380 |
38 |
53.5 |
6.3 |
1.2 |
0.8-0.4 |
0.4-0.2 |
| STd0400 |
40 |
55.5 |
| STd0420 |
42 |
57.5 |
| STd0450 |
45 |
60.5 |
| STd0500 |
50 |
65.5 |
| STd0560 |
56 |
71.5 |
| STd0600 |
60 |
75.5 |
| STd0630 |
63 |
78.5 |
| STd0650 |
65 |
80.5 |
| STd0700 |
70 |
85.5 |
| STd0750 |
75 |
90.5 |
| STd0800 |
80 |
95.5 |
| STd0850 |
85 |
100.5 |
| STd0900 |
90 |
105.5 |
| STd1000 |
100 |
115.5 |
| STd1050 |
105 |
120.5 |
| STd1100 |
110 |
125.5 |
| STd1150 |
115 |
130.5 |
| STd1250 |
125 |
140.5 |
| STd1300 |
130 |
145.5 |
| STd1400 |
140 |
155.5 |
| STd1600 |
160 |
175.5 |
| STd1900 |
190 |
205.5 |
| STd2000 |
200 |
221 |
8.1 |
1.5 |
1.0-0.6 |
0.6-0.4 |
| STd2100 |
210 |
231 |
| STd2200 |
220 |
241 |
| STd2300 |
230 |
251 |
| STd2500 |
250 |
271 |
| STd2560 |
256 |
280.5 |
8.1 |
1.5 |
1.0-0.6 |
0.6-0.4 |
| STd2600 |
260 |
284.5 |
| STd2900 |
290 |
314.5 |
| STd3200 |
320 |
344.5 |
| STd3600 |
360 |
384.5 |
| STd3700 |
370 |
394.5 |
| STd4000 |
400 |
424.5 |
| STd4100 |
410 |
434.5 |
| STd4200 |
420 |
444.5 |
| STd4300 |
430 |
454.5 |
| STd4400 |
440 |
464.5 |
| STd4500 |
450 |
474.5 |
| STd4600 |
460 |
484.5 |
| STd4700 |
470 |
494.5 |
| STd4800 |
480 |
504.5 |
| STd4900 |
490 |
514.5 |
| STd5000 |
500 |
524.5 |
| STd5100 |
510 |
534.5 |
| STd5200 |
520 |
544.5 |
| STd5300 |
530 |
554.5 |
| STd5400 |
540 |
564.5 |
| STd5500 |
550 |
574.5 |
| STd5600 |
560 |
584.5 |
| STd6000 |
600 |
624.5 |
| STd6100 |
610 |
634.5 |
| STd6200 |
620 |
644.5 |
| STd6300 |
630 |
654.5 |
| STd6400 |
640 |
664.5 |
| STd6500 |
650 |
678 |
9.5 |
2.0 |
1.2-0.8 |
0.8-0.5 |
| STd6600 |
660 |
688 |
| STd6700 |
670 |
698 |
| STd6800 |
680 |
708 |
| STd6900 |
690 |
718 |
| STd7000 |
700 |
728 |
| STd7100 |
710 |
738 |
| STd7500 |
750 |
778 |
| STd8000 |
800 |
828 |
| STd8500 |
850 |
878 |
| STd9000 |
900 |
928 | |
|
|
|
|
|
|
|
|
|
| |
|